Intelligent Electronic Lock

This intelligent electronic lock circuit is built using transistors only. To open this electronic lock, one has to press tactile switches S1 through S4 sequentially. For deception you may annotate these switches with different numbers on the control panel/keypad. For example, if you want to use ten switches on the keypad marked ?0? Through ?9?, use any four arbitrary numbers out of these for switches S1 through S4, and the remaining six numbers may be annotated on the leftover six switches, which may be wired in parallel to disable switch S6 (shown in the figure).

When four password digits in ?0? Through ?9? Are mixed with the remaining six digits connected across disable switch terminals, energisation of relay RL1 by unauthorized person is prevented.For authorized persons, a 4-digit password number is easy to remember. To energies relay RL1, one has to press switches S1 through S4 sequentially within six seconds, making sure that each of the switch is kept depressed for a duration of 0.75 second to 1.25 seconds. The relay will not operate if ?On? Time duration of each tactile switch (S1 through S4) is less than 0.75 second or more than 1.25 seconds.

This would amount to rejection of the code. A special feature of this circuit is that pressing of any switch wired across disable switch (S6) will lead to disabling of the whole electronic lock circuit for about one minute. Even if one enters the correct 4-digit password number within one minute after a ?Disable? Operation, relay RL1 won?T get energized. So if any unauthorized person keeps trying different permutations of numbers in quick successions for energisation of relay RL1, he is not likely to succeed. To that extent, this electronic lock circuit is fool-proof. This electronic lock circuit comprises disabling, sequential switching, and relay latch-up sections. The disabling section comprises zener diode ZD5 and transistors T1 and T2. Its function is to cut off positive supply to sequential switching and relay latch-up sections for one minute when disable switch S6 (or any other switch shunted across its terminal) is momentarily pressed.

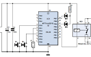
Intelligent Electronic Lock Circuit Diagram:

Intelligent Electronic Lock Circuit Diagram

During idle state, capacitor C1 is in discharged condition and the voltage across it is less than 4.7 volts. Thus zener diode ZD5 and transistor T1 are in non-conduction state. As a result, the collector voltage of transistor T1 is sufficiently high to forward bias transistor T2. Consequently, 12V is extended to sequential switching and relay latch-up sections. When disable switch is momentarily depressed, capacitor C1 charges up through hambatan R1 and the voltage available across C1 becomes greater than 4.7 volts. Thus zener diode ZD5 and transistor T1 start conducting and the collector voltage of transistor T1 is pulled low. As a result, transistor T2 stops conducting and thus cuts off positive supply voltage to sequential switching and relay latch-up sections. Thereafter, capacitor C1 starts discharging slowly through zener diode D1 and transistor T1. It takes approximately one minute to discharge to a sufficiently low level to cut-off transistor T1, and switch on transistor T2, for resuming supply to sequential switching and relay latch-up sections; and until then the circuit does not accept any code.

The sequential switching section comprises transistors T3 through T5, zener diodes ZD1 through ZD3, tactile switches S1 through S4, and timing capacitors C2 through C4. In this three-stage electronic switch, the three transistors are connected in series to extend positive voltage available at the emitter of transistor T2 to the relay latch-up circuit for energising relay RL1.  When tactile switches S1 through S3 are activated, timing capacitors C2, C3, and C4 are charged through resistors R3, R5, and R7, respectively. Timing capacitor C2 is discharged through resistor R4, zener diode ZD1, and transistor T3; timing capacitor C3 through resistor R6, zener diode ZD2, and transistor T4; and timing capacitor C4 through zener diode ZD3 and transistor T5 only. The individual timing capacitors are chosen in such a way that the time taken to discharge capacitor C2 below 4.7 volts is 6 seconds, 3 seconds for C3, and 1.5 seconds for C4. Thus while activating tactile switches S1 through S3 sequentially, transistor T3 will be in conduction for 6 seconds, transistor T4 for 3 seconds, and transistor T5 for 1.5 seconds.

The positive voltage from the emitter of transistor T2 is extended to tactile switch S4 only for 1.5 seconds. Thus one has to activate S4 tactile switch within 1.5 seconds to energise relay RL1. The minimum time required to keep switch S4 depressed is around 1 second. For sequential switching transistors T3 through T5, the minimum time for which the corresponding switches (S1 through S3) are to be kept depressed is 0.75 seconds to 1.25 seconds. If one operates these switches for less than 0.75 seconds, timing capacitors C2 through C4 may not get charged sufficiently. As a consequence, these capacitors will discharge earlier and any one of transistors T3 through T5 may fail to conduct before activating tactile switch S4.  Thus sequential switching of the three transistors will not be achieved and hence it will not be possible to energise relay RL1 in such a situation. A similar situation arises if one keeps each of the mentioned tactile switches de-pressed for more than 1.5 seconds.

When the total time taken to activate switches S1 through S4 is greater than six seconds, transistor T3 stops conducting due to time lapse. Sequential switching is thus not achieved and it is not possible to energise relay RL1. The latch-up relay circuit is built around transistors T6 through T8, zener diode ZD4, and capacitor C5. In idle state, with relay RL1 in de-energised condition, capacitor C5 is in discharged condition and zener diode ZD4 and transistors T7, T8, and T6 in non-conduction state. However, on correct operation of sequential switches S1 through S4, capacitor C5 is charged through hambatan R9 and the voltage across it rises above 4.7 volts. Now zener diode ZD4 as well as transistors T7, T8, and T6 start conducting and relay RL1 is energised. Due to conduction of transistor T6, capacitor C5 remains in charged condition and the relay is in continuously energised condition. Now if you activate reset switch S5 momentarily, capacitor C5 is immediately discharged through pelawan R8 and the voltage across it falls below 4.7 volts. Thus zener diode ZD4 and transistors T7, T8, and T6 stop conducting again and relay RL1 de-energises.

Popular Searches

Iklan Atas Artikel

Iklan Tengah Artikel 1

Iklan Tengah Artikel 2

Iklan Bawah Artikel