Following circuits may be also useful to you. Connect capacitor in parallel to load.

Circuit Diagram Of Buck Boost Converter Download Scientific Diagram
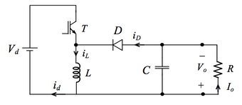
It is equivalent to a flyback converter using a single inductor instead of a transformer.
Circuit diagram buck boost converter. A circuit of a buck boost converter and its waveforms is shown below. Input voltage can be between 27 to 42v. Buck boost converter circuit diagram.
Buckboost converter using ltc3440. C1 to c3 are ceramic capacitors. With an increase in the mosfets on time the circuit starts getting transformed into a boost converter while with the mosfets off time exceeding its on time results in the circuit behaving like a buck converter.
It is a class of switched mode power supply smps typically containing at least two semiconductors a diode and a transistor although modern buck converters frequently replace the diode with a second transistor used for. And if d 05 the output is smaller than the inputbut if d 05 the output voltage is equal to the input voltage. L1 can be a toroid potcore or shielded bobbin inductor.
What is a buck boost converter. A buck converter step down converter is a dc to dc power converter which steps down voltage while stepping up current from its input supply to its output load. 5v buck regulator using lm2678.
See how the buck boost circuit is really just a combination of buck and boost mode circuits. C1 to c3 are ceramic capacitors. Connect one terminal of inductor to source of mosfet and another to led in series with 1k resistor.
There are two types of converters in the buck boost converter that are buck converter and the other. Input voltage can be between 27 to 42v. Thus the input to the mosfet can be made through an optimized pwm circuit for getting the required transitions across the same circuit.
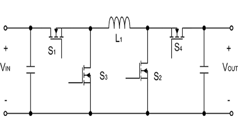
Load is connected in parallel to this arrangement. Assemble the circuit on a good quality pcb. The buckboost converter is a type of dc to dc converter that has an output voltage magnitude that is either greater than or less than the input voltage magnitude.
Assemble the circuit on a good quality pcb. Circuit diagram and connections. Following circuits may be also useful to you.
See the current paths during the on and off periods of the switching transistor in either mode. Connect 10k resistor between gate and source. It may be more or less than equal to the input voltage magnitude.
See how the operation of the circuit in both buck and boost modes can be controlled by a simple control unit. Make connections as shown in circuit diagram above for dc dc buck converter. L1 can be a toroid potcore or shielded bobbin inductor.
Buck boost converter circuit diagram. If d 05 the output voltage is larger than the input. Two different topologies are called buckboost converterboth of them can produce a range of output voltages ranging from much larger.
We know that d varies between 0 and 1. This is where the new ltc 3440 buckboost voltage converter from linear technology wwwlinear. It is a type of dc to dc converter and it has a magnitude of output voltage.
The inductance l is 50mh and the c is 100uf and the resistive load is 50w. The buck boost converter is equal to the fly back circuit and single inductor is used in the place of the transformer. Buckboost converter using ltc3440.
The switching regulator in figure 1 converts an input voltage in the range 27 v to 45 v into an output voltage in the range 25 v to 55 v using one tiny coil.

An Ordinary Buck Boost Converter Circuit Using Matlab Simulink

Analysis Of Four Dc Dc Converters In Equilibrium Technical Articles

Dc To Dc Boost Converter Circuit Homemade

Buck Boost Circuit Using Ic 555 Homemade Circuit Projects

Advantages Of Buck Boost Converters

Wide Vin And High Power Challenges With Buck Boost Converters

Regulated Buck Boost Dc Dc Converter Circuit Electronics

Buck Boost Converter Circuit Theory Working And Applications

The Bidirectional Buck Boost Converter Circuit Diagram The Buck

Buck Boost Converter Using Ltc3440 For An Output Voltage Of 3 3 Volts

Buck Boost Converter Electrical4u

Dc To Dc Buck Boost Converter Circuit Homemade การสอน

Buck Boost Converter Circuit Theory Working And Applications

Ltc3442 Buck Boost Converter Circuit

Buck Boost Converters

Dc To Dc Buck Boost Converter Circuit Homemade

Buck Boost Topology How Buck Boost Converter Works

Switching Circuits Buck And Boost Converters Savini

Buck Boost Converter Electrical4u

Fe 9317 And Buck Boost Converter Circuit Png File Rectifier And

Microcontroller Based Bidirectional Buck Boost Converter For Photo

How Inverted Buck Boost Boosts Bucks Electrical Engineering

Buck Boost Converter With Pic Microcontroller And Ir2110

Https Encrypted Tbn0 Gstatic Com Images Q Tbn 3aand9gcrszochjeduu4scxm13mi8qlpc3hl Oltkivecfkebyqvhjayz2 Usqp Cau

Buck Boost Regulator Circuit Design Using Xl6009 With Adjustable

Buck Boost Converters

General Buck Boost Converter Circuit Diagram Download

What Is A Buck Boost Converter Quora

Buck Boost Converter Buck Converter Dc To Dc Converter Voltage

Buck Boost Converter Switching Dc Dc Regulator Electronics Notes

File Basics Of The 4 Switch Buck Boost Converter Png Wikimedia

5v To 12v Boost Converter Circuit Or Higher Eleccircuit Com

Dc Dc Buck Boost Converter Youtube

Buck Boost Regulator Average Output Voltage Expression Derivation

Buck Boost Voltage Converter Schematic Circuit Diagram

Dc To Dc Buck Boost Converter Circuit Homemade

Buck Boost Converter Electrical Simple

Advantages Of Buck Boost Converters

Small Size Very High Efficiency Buck Boost Converter Youtube

Buck Boost Converters

Modeling And Controlling Strategy Of Four Switch Buck Boost

Buck Boost Converter With Pic Microcontroller And Ir2110

How To Use Simple Converter Circuits Technical Articles

An Ordinary Buck Boost Converter Circuit Using Matlab Simulink

Buck Boost Voltage Converter Eeweb Community

Buck Boost Converter File Exchange Matlab Central

Buck Boost Converter Voltage Converter Buck Converter Electrical

Boost Converter Circuit Using Mc34063 Ic

Https Encrypted Tbn0 Gstatic Com Images Q Tbn 3aand9gcswztau8rdipb Zs7pzuxrblbdgi8uk1hy3qmdvhh10jzcep0xl Usqp Cau

36v 2a Synchronous Buck Boost Converter And Led Driver
Buck Boost Voltage Converter Circuit Diagram

Microcontroller Based Bidirectional Buck Boost Converter For Photo

What Every Engineer Should Know About Buck Boost Converters

Mc34063 Buck Converter Circuit Diagram Circuit Diagram Power

4 Switch Buck Boost Converter Power Supply Circuit Circuit

Variable Output Voltage Dc To Dc Boost Converter Circuit Diagram

How To Make Buck Boost Converter In Simulink Matlab Technifi

Charging Of Battery From Solar Supply Using Buck Boost Converter

2 7v 4 2v Input To 3 3v Output Buck Boost Converter Electronics Lab

Designing An Arduino Based Buck Boost Converter With Feedback

Cs 1849 Buck Boost Converter File Exchange Matlab Central

A Positive Buck Boost Dc Dc Converter With Mode Select Circuit
.png)
How To Use Simple Converter Circuits Technical Articles

Analysis Converter Buck Boost Electrical Equipment Computer

2 8vin To 22vin 2a Lout 4 Switch Integrated Buck Boost Converter

4 Circuit Diagram Of Bidirectional Buck Boost Converter

How To Control A Buck Boost Converter Circuit From A

Buck Boost Buck Converters Stmicroelectronics
Buck Boost Converter Cosemitech Shanghai Co Ltd

Buck Boost Converter Sandi Elektronik

Figure 6 From Performance Analysis Of Unidirectional And

Switch Mode Power Supply And Switching Regulators

Designing Open Loop Non Isolated Inverting Buck Boost Converter

Https Encrypted Tbn0 Gstatic Com Images Q Tbn 3aand9gcrszochjeduu4scxm13mi8qlpc3hl Oltkivecfkebyqvhjayz2 Usqp Cau

How Buck Boost Circuits Work Homemade Circuit Projects

Selecting A Step Up Down Buck Boost Converter Richtek Technology

Diy Buck Boost Converter Flyback 5 Steps With Pictures

Wiring Pre Circuit Diagram Buck Boost Voltage Converter

How To Build An Arduino Based Buck Boost Converter Arduino

Dc To Dc Buck Boost Converter Circuit Homemade

Asian Economic And Social Society

Designing Open Loop Non Isolated Inverting Buck Boost Converter
Dc Dc Converter Working Principle Ecri Microelectronics

Buck Boost Voltage Converter Schematic Circuit Diagram

Buck Boost Circuit Avr Freaks

Mf 3565 Positive Buckboost Converter Circuit Diagram Tradeoficcom

Buck Boost Converters Elsoc Wiki Fandom

Breakthrough Buck Boost Controller Provides Up To 10a From A Wide

Inverting Topology Buck Boost Converter Control Matlab Simulink

Http Www Ijeei Org Docs 7734922695a72d68e0eec6 Pdf

Vehicle Electrical Systems Zero To Sixty In 48 Volts

Single Inductor Tiny Buck Boost Converter Power Supply Circuit

Solved Shows A Circuit Diagram Of A Buck Boost Converter

Mp28164 Buck Boost High Efficiency Single Inductor Buck Boost

Regulated Buck Boost Dc Dc Converter Circuit Electronics

It Is Possible To Make A Non Inverting Buck Boost Converter With A

Boost Converter Wikipedia

Chapter 8 Mplab Mindi Analog Simulator Peak Current Mode

1

In A Buck Boost Converter With The Following Circu Chegg Com

Mc34063 Boost Converter Circuit Converter Electronics Circuit

Fundamental Circuit Diagrams Of Dc Dc Converters Types A Buck

Lt3942 Synchronous Buck Boost Converter Linear Technology