Circuit Diagram As440 Avr Wiring Diagram Pdf
Protection circuit within the avr. As440 avr circuit diagram as440 avr circuit diagram suppliers and.
Download Avr As440 Wiring Diagram
Control function turn potentiometer.
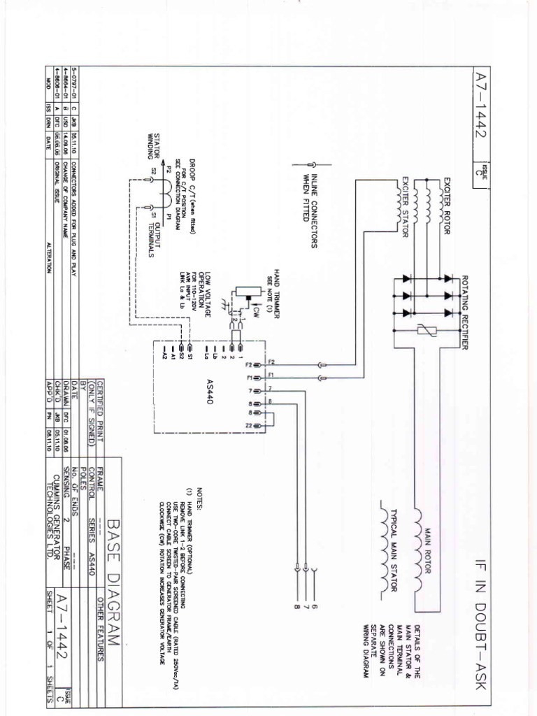
Circuit diagram as440 avr wiring diagram pdf. 52 the avr has been factory set and might not be adjusted to suit your particular requirements. Provision is made for the connection of a remote voltage. A043y697 issue 2 5 ref.
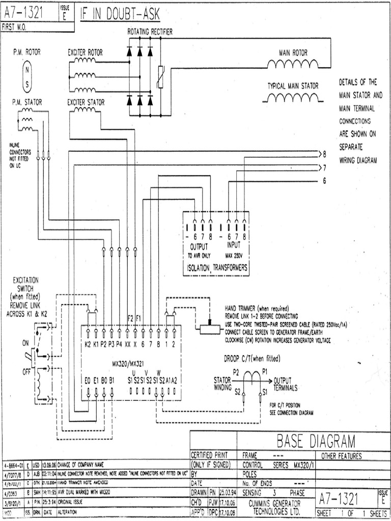
53 before starting the generator set it is. Stamford avr as440 wiring diagram wiring diagram is a simplified all right pictorial representation of an electrical circuitit shows the components of the circuit as simplified shapes and the talent and signal contacts in the company of the devices. Refer to generator wiring diagram for connection details f2 f1 7 8 8 z2 s1 s2 a1 a2 as440 trim droop volts.
Refer to alternator wiring diagram for connection details. Refer to generator wiring diagram for connection details f2 f1 7 8 8 z2 s1 s2 a1 a2 asx440 trim. Protection circuit within the avr.
As440 automatic voltage regulator avr specification controls and accessories. C2006 newage international limited 1 tdas440 avr070601gb as440 automatic voltage regulator avr specification installation and adjustments. C2006 newage international limited 1 tdas440 avr070601gb as440 automatic voltage regulator avr specification installation and adjustments.
Provision is made for the connection of a remote voltage. Nissan b14 wiring diagram pdf. Potential divider and rectifier takes a proportion of the generator output voltage and attenuates it.
New wiring for the as440 avr. Provides short circuit maintenance in addition to a good motor starting performance. Step 5 final check adjustments.
C2006 1 tdas440 avr090603gb as440 automatic voltage regulator avr specification installation and adjustments. Before adjusting the avr read the as440 avr specification sheet item 3. Stamford avr mx wiring diagram permanent electron coltdavrsxsxrrstamford alternator diagrams pdf manual generator pedoman pasang automatic voltage regulator for pmg unique of newage schematics at sr7 britishpanto throughout chunyan me wire center u sx beautiful mx series.
It is the direct replacement for the newage sx and sa regulator. 51 check all wiring connections.
El 0695 For Avr Wiring Diagram Download Diagram
Http Bestgenerator Spb Ru Avr Generators Pdf 02 Newage Stamford Nw As440 Manual Enu Pdf
Avr As440 Wiring Diagram Diagram Base Website Wiring Diagram
F68d Sx440 Voltage Regulator Wiring Diagram Wiring Resources
7efa079 Avr As440 Wiring Diagram Manual Book And Wiring Schematic
As440 Avr Wiring Diagram Diagram Base Website Wiring Diagram
Download As440 Avr Wiring Diagram
As440 Avr Wiring Diagram Diagram Base Website Wiring Diagram
Avr As440 Pdf لم يسبق له مثيل الصور Tier3 Xyz
Ys 1388 Volvo 440 Wiring Diagram Pdf Wiring Diagram
Fitting An Sx 460 Avr To A Markon Sc21g Alternator Youtube
Http Www Genpowerusa Com Content Files Stamford As440 Avr Datasheet Pdf
Stamford As440 Voltage Regulator Pdf Detector Radio Amplifier
Stamford Avr As440 Wiring Diagram Diagram Base Website Wiring
As440 Avr Wiring Diagram Diagram Base Website Wiring Diagram
Http Www Generatorsolutions No Images Manualer Stamford As440 Pdf
Sanch S900 Pdf Power Supply Power Inverter Free 30 Day Trial
Http Www Cramelectro Com Docs Eng Manual 20del 20alternador 20stamford 20bc168 184 Ingles Pdf
Pengaturan Atau Settingan Apa Saja Yang Terdapat Pada Avr Genset
Block Diagram Of The Avr Architecture Youtube
Https Encrypted Tbn0 Gstatic Com Images Q Tbn 3aand9gcq7rwzui3zhy9wbbmt 5nsc3vn4vxsmwrnfhzrddsnhmearuxrt Usqp Cau
As440 Avr Wiring Diagram Diagram Base Website Wiring Diagram
Newage Generator Wiring Diagram
Avr As440 Wiring Diagram Diagram Base Website Wiring Diagram
As440 Avr Wiring Diagram Diagram Base Website Wiring Diagram
Pdf Avr As440 لم يسبق له مثيل الصور Tier3 Xyz
As440 Avr Wiring Diagram Diagram Base Website Wiring Diagram
Fault Finding Manual For Stamford Ac Generators Pdf Free Download
As440 Avr Wiring Diagram Diagram Base Website Wiring Diagram
Stamford Avr As440 Wiring Diagram Diagram Base Website Wiring
Conversion Avr As440 A Sx440 Electrical Equipment Electrical
Uci224e Winding 06 Technical Data Sheet Manualzz
Sx460 Avr Manual Pdf لم يسبق له مثيل الصور Tier3 Xyz
As440 Avr Wiring Diagram Diagram Base Website Wiring Diagram
Stamford Avr As440 Wiring Diagram Diagram Base Website Wiring
Http Www Generatorsolutions No Images Manualer Stamford As480 Pdf
Http Www Khenkikian Com Uploads Sx440 Sx440 Manual En Pdf
Download Keystone Telephone Wiring Diagram
As440 Avr Wiring Diagram Diagram Base Website Wiring Diagram
Sx460 Avr Circuit Diagram Pdf لم يسبق له مثيل الصور Tier3 Xyz
Fe 6230 Auto Voltage Regulator Circuit Diagram Auto Voltage
Http Pdfstream Manualsonline Com 4 4c1ba6a3 3765 4322 8160 41b65e0a1fc8 Pdf
Https Www Wincogen Com Wp Content Uploads Pd Supplier As440 Avr Pdf
As440 Avr Wiring Diagram Diagram Base Website Wiring Diagram
Wiring Diagram Avr As440 Diagram Base Website Avr As440
Https Encrypted Tbn0 Gstatic Com Images Q Tbn 3aand9gcrwxv1ku Katqf0o6zktu01bwwjol7kw4dayjsafgjlqfizkaus Usqp Cau
2004 Ford F 15truck F15electrical Wiring Diagrams Service
Band Heater Wiring Diagram Diagram Base Website Wiring Diagram
Diagram Wiring Diagram Avr As440 Full Version Hd Quality Avr
Wiring Diagram Service Audi A6 C5 A6 C5
Https Www Abato Nl Bestanden Weichai Aggregaten Landbased Genset Wpg41 9 Manual Operation 20manual 20of 20l 20series 20wpg27 5 165kva Pdf
Http Pdfstream Manualsonline Com 4 4c1ba6a3 3765 4322 8160 41b65e0a1fc8 Pdf
Ford F 1 Wiring Diagram Wiring Diagram
98 F150 Radio Wiring Diagram Diagram Base Website Wiring
1967 Nova Wiper Motor Wiring Diagram Wiring Diagram
Gm Schematic Diagrams Diagram Base Website Schematic Diagrams
Wiring Diagram Avr As440 Diagram Base Website Avr As440
As440 Avr Wiring Diagram Diagram Base Website Wiring Diagram
Wiring Diagram Forward Reverse Switch Reverse Switch
Wiring Diagram Avr As440 Diagram Base Website Avr As440
2007 Gm Ignition Wiring Diagram Citofonaregiusy It
Http Pdfstream Manualsonline Com 4 4c1ba6a3 3765 4322 8160 41b65e0a1fc8 Pdf
Https Www Nortaluga Com Download Products Stamford Sx460 Pdf
T Stat Wiring Diagram Citofonaregiusy It
Wiring Diagram Avr As440 Diagram Base Website Avr As440
Baja Wd 250 Wiring Diagram Diagram Base Website Wiring Diagram
Pengaturan Atau Settingan Apa Saja Yang Terdapat Pada Avr Genset
Https Encrypted Tbn0 Gstatic Com Images Q Tbn 3aand9gcspwjch6pellnopows 0t8neij O Pdadhthvvj Bbafwlbicil Usqp Cau
Http Www Genpowerusa Com Content Files Stamford As440 Avr Datasheet Pdf
03 Cadillac Cts Alternator Wiring Alessandraappiano It
Leroy Somer R 449 Manual Power Supply Power Physics
Ecm Motor Wiring Diagram For Hvac For Hvac
As440 Avr Wiring Diagram Diagram Base Website Wiring Diagram
Https Www Wincogen Com Wp Content Uploads Pd Supplier As440 Avr Pdf
Sell Generator Avr Kr440 Generator Automatic Voltage Regulator
Band Heater Wiring Diagram Diagram Base Website Wiring Diagram
Ski Doo Wiring Diagrams Diagram Base Website Wiring Diagrams
Wiring Diagram Avr As440 Diagram Base Website Avr As440
Ftdi Usb To Rs232 Wiring Diagram Wiring Diagram
Https Www Stamford Avk Com Sites Stamfordavk Files Parts Manual Parts Manual Legacy Products Pdf
Http Www Cramelectro Com Admin Docs Files Avr 20sx 20440 Pdf
Keeprite Ac Wiring Diagram Alessandraappiano It
Http Www Genpowerusa Com Content Files Stamford As440 Avr Datasheet Pdf
As440 Avr Wiring Diagram Diagram Base Website Wiring Diagram
Http Www Wincogen Com Wp Content Uploads Pd Manuals Dr Stamford Ts Guide Pdf
Honda Ignition Diagram Citofonaregiusy It
Http Www Powertechengines Com Newagedata Powerfactorcontrollermanual Pfc3 English Pdf
Telecom Wiring Diagram Rj45 Diagram Base Website Diagram Rj45
Diagram Based Wiring Diagram Avr Sx440 Completed Diagram Base
F250 7 3l Wiring Diagram 1993 Diagram 1993
Wrg 0626 1967 Corvette Fuse Box
Pioneer Deh 10 Wiring Diagram Wiring Diagram
Uci224f Pdf Electric Generator Rectifier
What Is Automatic Voltage Regulator Meaning Working Principle
Automatic Voltage Regulator Avr Its Working Youtube



