Circuit Diagram Electric Fan Symbol
A wiring diagram is a simplified standard pictorial depiction of an electric circuit. The electric motor is a bm 122 decomin brand 3 speed motor.
What Is The Symbol For A Fan On A Circuit Is It Just Motor
Electrical symbols virtually represent the components of electrical and electronic circuits.
Circuit diagram electric fan symbol. I have a bionaire brand table electric fan. Since the schematic symbol for a voltage source uses a long bar to represent the. Though these standard symbols are simplifiedthe function descriptions can make you understand clearly.
The presentation of the interconnections between circuit components in. There are three resistors in the circuit connected in series each having its own voltage drop. Collection of flex a lite electric fan wiring diagram.
The circuit shown in the diagram above is powered by a 12 volt energy source. There are some standard symbols to represent the components in a circuits. This fan has an oscillating grill with independent sync motor and timer circuit.
Electric fan relay wiring diagram wiring diagram is a simplified tolerable pictorial representation of an electrical circuitit shows the components of the circuit as simplified shapes and the capability and signal contacts between the devices. Wiring diagrams use simplified symbols to represent switches lights outlets etc. Here is a standard wiring symbol legend showing a detailed documentation of common symbols that are used in wiring diagrams home wiring plans and electrical wiring blueprints.
It shows the elements of the circuit as simplified forms and also the power as well as signal connections in between the gadgets. This article shows many of the frequently used electrical symbols for drawing electrical diagrams. There are 6 wires.
There are many electrical and electronic schematic symbols are used to signify basic electronic or. The motor has a 4mu 250volt capacitor. Electrical symbols or electronic circuits are virtually represented by circuit diagrams.
This article gives some of the frequently used symbols for drawing the circuits. It has a 3 speed fan motor. Consider the circuit diagram below and its corresponding electric potential diagram.
Electrical symbols electronic circuit symbols of schematic diagram resistor capacitor inductor relay switch wire ground diode led transistor power. A circuit diagram electrical diagram elementary diagram electronic schematic is a graphical representation of an electrical circuita pictorial circuit diagram uses simple images of components while a schematic diagram shows the components and interconnections of the circuit using standardized symbolic representations.
Unique Household Electric Fan Wiring Diagram Diagram
Av 1684 Circuit Diagram Fan Symbol Schematic Wiring
Av 1684 Circuit Diagram Fan Symbol Schematic Wiring
What Is The Symbol For A Fan On A Circuit Is It Just Motor
Reflected Ceiling Plan Symbols Electrical Telecom Home
House Wiring Symbols Schematics 10 Brillenstudio Weichert De
Av 1684 Circuit Diagram Fan Symbol Schematic Wiring
What Is The Symbol For A Fan On A Circuit Is It Just Motor
Reflected Ceiling Plan Symbols Lighting Ceiling Plan Blueprint
Attic Electrical Wiring Diagrams Schematics 16 Stade
Electrical And Telecom Vector Stencils Library Lighting
Compressors Vacuum Pumps Blowers Fans Symbols
Design Elements Pumps Design Elements Chemical Engineering
Ultimate Tutorial For Home Wiring Diagram
Electrical Schematic Diagram Elementary Wiring Diagram
Exhaust Fan Wiring Diagram Diagram Base Website Wiring Diagram
Ceiling Fan Wiring Diagram With Capacitor Connection Circuitstune
Car Wiring Diagram Electrical Wires Cable Fan Png 854x980px
Home Electrical Schematic Wiring Diagrams Kartonyonoprian 9
Ho 9547 Electrical Switches 1 Bluepring Symbols Wiring Diagram
Electrical And Electronic Symbols Electrical4u
Https Encrypted Tbn0 Gstatic Com Images Q Tbn 3aand9gcsqciqh4cpkm H0ey2zivgeg8lfjzvxtztnlijc6ksmu9mmdp1r Usqp Cau
How To Wire A Ceiling Fan Dimmer Switch And Remote Control Wiring
Wiring Diagram Ceiling Fans Motor Capacitor Electric Motor
Schematic Diagrams Symbols Electrical Circuits Resistors
Electricity Symbol Png Download 791 1024 Free Transparent
Electronic Circuit Symbols Components And Schematic Diagram Symbols
What Is The Role Of Capacitor In A Ceiling Fan Electrical Technology
Four Wire Fan Diagram Wiring Diagram
Wrg 6273 Boiler Wiring Diagram Electrical Symbols
Ceiling Fan Wiring Diagram With Capacitor Connection Circuitstune
Ever Go Ceiling Fan Wiring Diagrams Diagram Base Website Wiring
Compressors Vacuum Pumps Blowers Fans Symbols
How To Construct Wiring Diagrams Industrial Controls
Wiring Diagram Of Ceiling Fan With Regulator
A1d6 Ceiling Fan Wiring Diagram Idiots Wiring Library
Wiring Diagram Symbols Electrical Wiring Symbol Legend
Electric Cooling Fan Wiring Diagram Youtube
Wd 2808 Of Standard Electric Fan Schematic Diagram Of Standard
Wiring Diagram Switch Symbols Diagram Base Website Switch Symbols
How To Replace A Capacitor In A Ceiling Fan 3 Ways
Wrg 1056 Relay Logic Diagram Symbols
Devices Symbols And Circuits Reading And Understanding
Https Encrypted Tbn0 Gstatic Com Images Q Tbn 3aand9gcqsusosivrm55kbhml80c1tdfijmz15qxc2iydjehm Usqp Cau
Keywords Like Schematic Symbol For Heater Panel Other People Like
4 Pin Fan Wiring Diagram Diagram Base Website Wiring Diagram
Hyundai Wiring Diagram Radiator Fans Ricks Free Auto Repair
Exhaust Fan Wiring Diagram Diagram Base Website Wiring Diagram
Ceiling Fan Wire Diagram Diagram Base Website Wire Diagram
Lessons In Electric Circuits Volume V Reference Chapter 9
Ceiling Fan Wiring Diagram With Capacitor Connection Circuitstune
Circuits One Path For Electricity Lesson Teachengineering
Reflected Ceiling Plan Symbols Lighting Ceiling Plan Blueprint
Wiring Diagram Of Ceiling Fan With Regulator
12v Bathroom Fan Wiring Diagram Fiat 19 Cda Wermelskirchen De
Craig S Thermostat Circuits Karisimby S Blog
Ceiling Fan Wire Diagram Diagram Base Website Wire Diagram
Wiring Diagram Electric Furnace Burners Suzukituy 19 Autoservice
Electric And Electronic Icons Electric Diagram Symbols Generator
Electrical Drawing Symbols At Paintingvalley Com Explore
House Wiring Symbols Schematics 10 Brillenstudio Weichert De
Aeg Motor Wiring Diagram Diagram Base Website Wiring Diagram
Tobias Wiring Diagram Diagram Base Website Wiring Diagram
Ground Detector Light Wiring Schematic F7 Wiring Diagram
Switches Vector Stencils Library Electrical And Telecom
Https Encrypted Tbn0 Gstatic Com Images Q Tbn 3aand9gcsptsk S4x0tnldiqxrbakmf58uzn7upxorplw0mvw6pdyw04yx Usqp Cau
Understanding Schematics Technical Articles
Go Look Importantbook Electronics Fan In Fan Technology And
Car Wiring Diagram Software Wiring Diagram Software For Car
How To Replace A Capacitor In A Ceiling Fan 3 Ways
Ceiling Fan Schematic Diagram F7 Wiring Diagram
Block Diagram Symbols Diagram Base Website Diagram Symbols
Electronics Club Circuit Symbols
Honda Wiring Diagram Symbols Electrical Wiring Diagram Diagram
Electric Circuit Diagrams Lesson For Kids Video Lesson
Light Switch Wiring Diagram For Ceiling Fan Diagram Base Website
Some Symbols Used In Wiring Diagrams
2000 Cavalier Radiator Fan Wiring Diagram Wear Aerox Immo Ak De
Wrg 7489 Symbol For Gfi Schematic Wiring Diagram
How To Read Automotive Wiring Diagrams Search Autoparts
Help For Understanding Simple Home Electrical Wiring Diagrams
Wiring Diagram Switch Symbols Diagram Base Website Switch Symbols
How To Construct Wiring Diagrams Industrial Controls
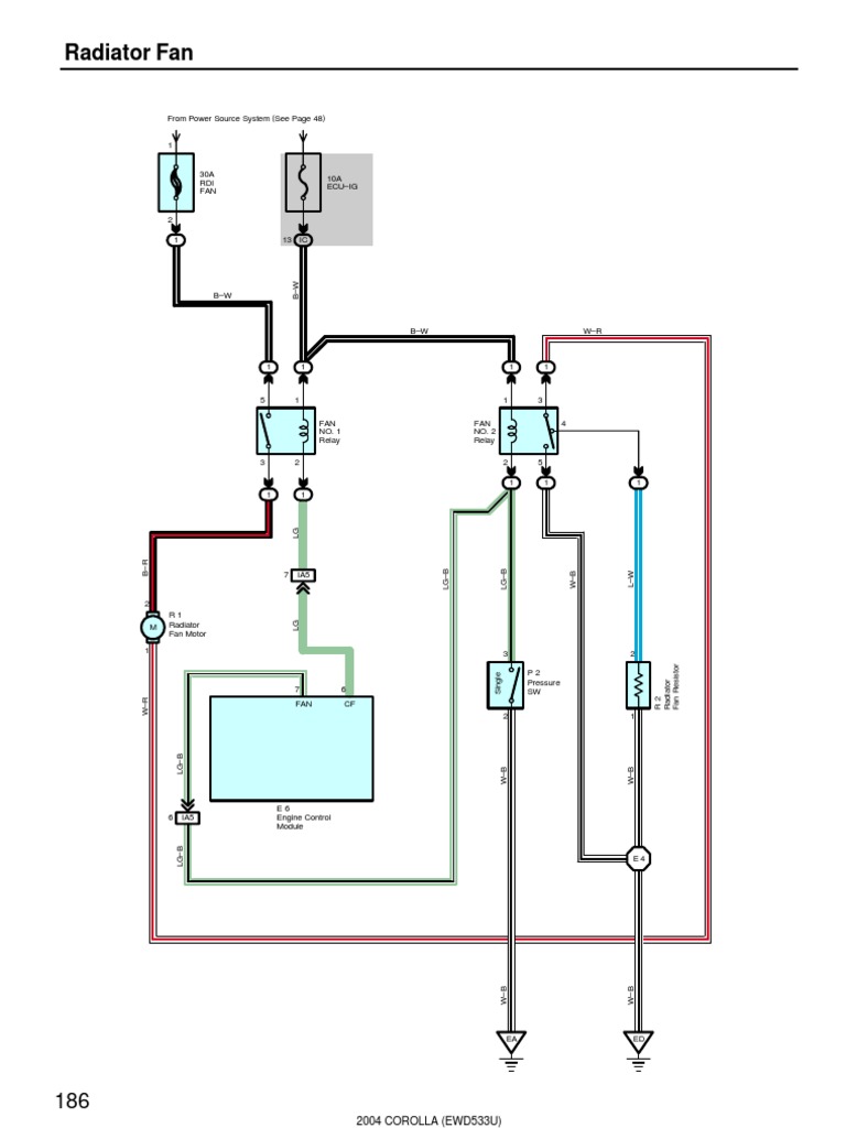
2004 Corolla Electrical Diagram Radiator Fan Electrical
Electric Circuit Diagrams Lesson For Kids Video Lesson
4 Wire Fan Diagram F7 Wiring Diagram
Source Electrical Diagram Symbols Wiring Blueprint Pictures
Wiring Diagram Symbols Light Switch Wiring Electrical Circuit
Electrical Symbol Library For Your Schematic Drawings Form
Servo Motor Schematic Symbol Lan1 Www Seblock De
Building Wiring Circuit Diagram Chevyx 19 Immo Ak De
Following Wiring Diagrams Youtube
Ceiling Fans Cad Blocks In Plan Dwg Models






